网站首页
恒春概况
产品展示
新闻资讯
荣誉资质
应用业绩
下载中心
联系我们
会员中心
网站首页
恒春概况
公司介绍
制造能力
检测能力
荣誉资质
发展历程
企业文化
合作客户
产品展示
电动执行机构
电液执行机构
气液执行机构
气动执行机构
其他执行机构
新闻资讯
新闻中心
荣誉资质
国内认证
国际认证
入围资质
荣誉
专利
检测报告
应用业绩
库区
油气管道
炼化&化工
电力&环保
核电
其他
下载中心
联系我们
会员中心
国内认证
国际认证
入围资质
荣誉
专利
检测报告
首页
>>
荣誉资质
>>
检测报告
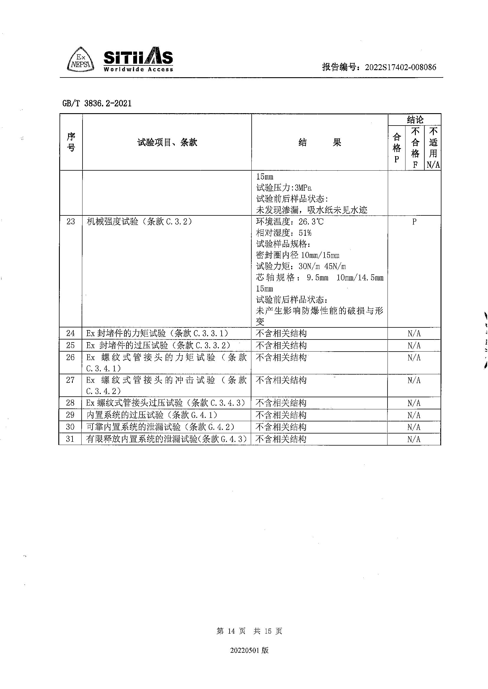
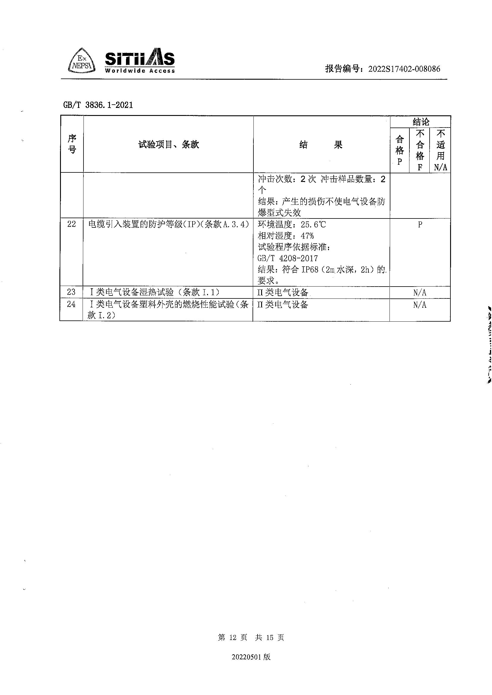
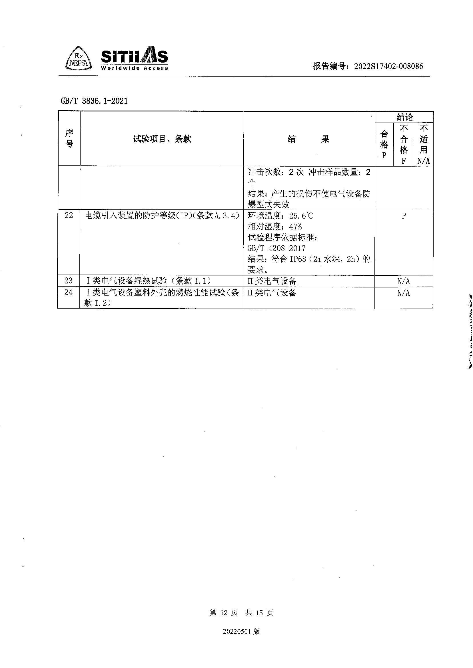
2022S17402-008086 防爆电缆密封接头型式试验报告
时间:2025-11-24 17:47:07
0
分享到:
QQ空间
新浪微博
腾讯微博
人人网
微信
返回列表
上一篇
没有了!
下一篇
2019S17402-000006 防爆电缆密封接头型式试验报告
其他资质
2022S17402-0···
2025-11-24
2019S17402-0···
2025-11-24
2022S17402-0···
2025-11-24
2019S17402-0···
2025-11-24
2024S17402-0···
2025-11-24
2023S17402-0···
2025-11-24
2022S17402-0···
2025-11-24
2024S17402-0···
2025-11-24
版权所有:扬州恒春电子有限公司
|
网站地图
|服务热线:4006611192|
备案号:苏ICP备16056282号-1